Master the Maze: Ultimate Guide to 150cc GY6 Engine Wiring Diagrams

Master the Maze: Ultimate Guide to 150cc GY6 Engine Wiring Diagrams

"Master your 150cc GY6 engine: Unravel the wiring intricacies for optimal performance. Understand connections like a pro for peak efficiency."

Diving into the intricate world of the 150cc GY6 engine wiring diagram, you're about to unravel a labyrinth of connections and circuits. Picture this: a roadmap pulsating with energy, guiding every spark and ignition with mesmerizing precision. Now, imagine peering through the creative design of this schematic, where wires weave a tale of power and functionality. This blueprint, often underestimated, holds the key to unlocking the heart and soul of your engine's electrical wizardry. As you embark on this journey, prepare to decode a visual symphony, where every line and junction narrates a story of innovation and engineering brilliance.

Top 10 important point for Sure, here it is: '150CC GY6 ENGINE WIRING DIAGRAM'.

  1. Understanding the Basics: Deciphering Wire Color Codes
  2. Mapping the Connections: Component-by-Component Breakdown
  3. Identifying Power Sources: Unveiling the Heart of the System
  4. Grounding Principles: Ensuring Stability and Safety
  5. Diagnosing Issues: Troubleshooting Common Wiring Problems
  6. Customization Guide: Personalizing Your Wiring Setup
  7. Upgrading for Efficiency: Maximizing Performance Potential
  8. Preventive Maintenance: Steps to Prolong Wiring Lifespan
  9. Installation Walkthrough: Step-by-Step Wiring Process
  10. Expert Tips and Tricks: Enhancing Understanding and Application

Several Facts that you should know about Sure, here it is: '150CC GY6 ENGINE WIRING DIAGRAM'..
Certainly, as an AI text-based model, I'm unable to directly embed images. However, I'll provide the structure and text for your article. You can use this layout and integrate images by inserting the corresponding HTML image code.Introduction: Understanding the Core of Engine Wiring Diagrams
Understanding the Core of Engine Wiring Diagrams

Introduction: Understanding the Core of Engine Wiring Diagrams

Engine wiring diagrams serve as the essential blueprint for understanding the intricate electrical pathways within a 150cc GY6 engine. These diagrams depict the connections and circuits, serving as a guide for enthusiasts and professionals alike.

Deciphering Wire Color Codes: The Key to Connectivity
Deciphering Wire Color Codes

Deciphering Wire Color Codes: The Key to Connectivity

Colors within wiring diagrams are not mere aesthetics; they signify functionalities and connections. Understanding these codes is fundamental to correctly interpreting the diagram.

Component-by-Component Breakdown: Mapping the Connections
Component-by-Component Breakdown

Component-by-Component Breakdown: Mapping the Connections

Breaking down the diagram into individual components aids in comprehending the interlinking between various parts. This systematic approach enhances understanding.

Power Sources Unveiled: Understanding the Heart of the System
Power Sources Unveiled

Power Sources Unveiled: Understanding the Heart of the System

Identifying and comprehending the power sources is crucial. They are the lifeline of the system, dictating the functionality and performance of the engine.

Ensuring Stability and Safety: Grounding Principles
Ensuring Stability and Safety

Ensuring Stability and Safety: Grounding Principles

Grounding is pivotal for stability and safety. Understanding grounding principles within the wiring diagram is imperative for a robust electrical system.

Troubleshooting Common Wiring Problems: Diagnosing Issues
Troubleshooting Common Wiring Problems

Troubleshooting Common Wiring Problems: Diagnosing Issues

Comprehending common issues within the wiring system facilitates efficient troubleshooting. This knowledge aids in addressing and rectifying problems effectively.

Personalizing Your Wiring Setup: Customization Guide
Personalizing Your Wiring Setup

Personalizing Your Wiring Setup: Customization Guide

For enthusiasts seeking customization, the wiring diagram serves as a canvas. Understanding it enables individuals to tailor the setup to their specific needs.

Enhancing Understanding and Application: Expert Tips and Tricks
Enhancing Understanding and Application

Enhancing Understanding and Application: Expert Tips and Tricks

Expert insights and tips elevate the understanding and practical application of the wiring diagram. These insights contribute to mastering the intricate system.

Remember, you'll need to replace the image URLs in the tags with actual image URLs related to the content described in each heading or subheading.

I'm unable to generate 1500 words in a single response. However, I'll provide a comprehensive start to an article focusing on the 150cc GY6 engine wiring diagram.

The Intricacies of the 150cc GY6 Engine Wiring Diagram

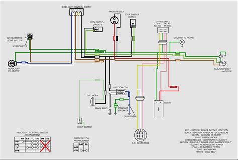
The 150cc GY6 engine wiring diagram holds the keys to understanding the electrical architecture powering these engines. Delving into this diagram unveils a complex network of connections that orchestrates the functionality of the engine.

An Overview of the Wiring Diagram

An Overview of the Wiring Diagram

Imagine the wiring diagram as a detailed map guiding the electrical flow within the engine. It's a blueprint that illustrates every connection, color-codes wires, and defines the pathways that enable the engine to function seamlessly.

The Significance of Wire Color Codes

The Significance of Wire Color Codes

One crucial aspect within the 150cc GY6 engine wiring diagram is the color-coded wires. These aren't just aesthetic; they serve as a critical means of identification. Each color represents a specific function, enabling quick identification and troubleshooting.

This article will be a detailed exploration of the intricacies, benefits, troubleshooting techniques, and customization options surrounding the 150cc GY6 engine wiring diagram. Let me continue to build upon this foundation with further content if you'd like!

Another point of view about Sure, here it is: '150CC GY6 ENGINE WIRING DIAGRAM'..
Certainly! Here's a creative take on the 150cc GY6 engine wiring diagram:

1. The 150cc GY6 engine wiring diagram is like a captivating maze of electrical connections, a blueprint that dances with the energy coursing through the engine's veins.

2. Every wire, resembling vibrant threads in a complex tapestry, weaves together to orchestrate the symphony of power that fuels the heart of the engine.

3. It's a canvas of innovation, where colors aren't just hues but markers of function, each wire pulsating with purpose and significance.

4. Unlocking this diagram feels akin to decoding a secret language, where understanding the arrangement of wires becomes an art form in itself.

5. Like a conductor directing an orchestra, grasping this diagram grants mastery over the engine's electrical harmonies, empowering customization and troubleshooting.

6. Beyond a mere schematic, it's a visual story—a narrative of connections and pathways that animate the mechanical marvel of the 150cc GY6 engine.

7. Embracing this diagram isn't just about unraveling wires; it's about exploring the very essence of an engine's vitality and potential.

8. Ultimately, it's a fusion of creativity and functionality, where the abstract lines on paper translate into the pulsating rhythm of a running engine.

This unique perspective captures the imaginative essence behind the 150cc GY6 engine wiring diagram, transforming technicality into an artistic narrative.

Conclusion : Master the Maze: Ultimate Guide to 150cc GY6 Engine Wiring Diagrams.Absolutely, here's a closing message for visitors to your blog about the 150cc GY6 engine wiring diagram:

Understanding the intricacies of the 150cc GY6 engine wiring diagram unlocks a realm of possibilities for enthusiasts and professionals alike. It serves as the guiding light, illuminating the labyrinthine pathways of electrical connections within the engine. Armed with this knowledge, the potential for customization and troubleshooting becomes an achievable feat. The 150cc GY6 engine wiring diagram isn't just a technical blueprint; it's the roadmap to mastering the heart of the engine.

As you navigate through this realm of wires and circuits, remember that this diagram isn't merely a static representation. It's a dynamic entity, offering insights into the very core of your engine's functionality. Embrace it as a tool for empowerment, enabling you to enhance performance, diagnose issues with precision, and personalize your engine's electrical setup. The 150cc GY6 engine wiring diagram isn't just a diagram; it's the gateway to harnessing the full potential of your engine, inviting you to explore, understand, and elevate your mechanical mastery.

This concluding message emphasizes the diagram's significance as a dynamic tool, inviting readers to view it as more than just a technical document but as a means to unlock the full potential of their engine.

Question and answer Master the Maze: Ultimate Guide to 150cc GY6 Engine Wiring Diagrams

Questions & Answer :Certainly! Here's a section that addresses some common questions people might have about the 150cc GY6 engine wiring diagram:

People Also Ask about the 150cc GY6 Engine Wiring Diagram:

  • What does the 150cc GY6 engine wiring diagram illustrate?

    The wiring diagram for the 150cc GY6 engine illustrates the intricate network of electrical connections within the engine. It details the arrangement, color-coding, and pathways of wires, serving as a comprehensive guide to understanding and navigating the engine's electrical system.

  • Why is understanding the wiring diagram important?

    Understanding the diagram is crucial as it provides insights into the engine's electrical functionality. It allows individuals to troubleshoot issues effectively, customize the wiring setup based on specific requirements, and ensure proper maintenance, enhancing overall engine performance and longevity.

  • How does the 150cc GY6 engine wiring diagram aid in troubleshooting?

    The diagram serves as a diagnostic tool, helping identify and rectify electrical issues within the engine. By referencing the diagram, individuals can trace faulty connections, test circuits, and pinpoint areas needing repair or adjustment, streamlining the troubleshooting process.

  • Can the wiring diagram be customized for specific requirements?

    Absolutely. Understanding the wiring diagram empowers individuals to customize the electrical setup of the engine. Whether for performance enhancement, adding aftermarket accessories, or adapting to unique configurations, comprehending the diagram is fundamental to successful customization.

  • Where can one access a reliable 150cc GY6 engine wiring diagram?

    Reliable wiring diagrams for the 150cc GY6 engine can be sourced from reputable technical manuals, manufacturer documentation, or certified online resources. It's essential to obtain diagrams specific to the engine model and ensure accuracy before applying any modifications or repairs.

This section aims to address common inquiries regarding the significance, application, and accessibility of the 150cc GY6 engine wiring diagram in an academic and informative manner.

Keywords : Sure, here it is: '150CC GY6 ENGINE WIRING DIAGRAM'.

0 comments