Unveiling the Inner Workings: 15.5 Briggs and Stratton Engine Diagram

Unveiling the Inner Workings: 15.5 Briggs and Stratton Engine Diagram

Explore the intricate 15.5 Briggs and Stratton engine diagram, unraveling its mechanics for an insightful grasp on engine functionality and maintenance.

Ah, the magnificent 15.5 Briggs and Stratton engine diagram! Strap in, folks, because we're about to embark on a journey through the wondrous intricacies of this mechanical marvel. Picture this: a world where pistons dance and valves pirouette within the enigmatic confines of this powerhouse. But wait, there's more! This isn't your average diagram; it's a backstage pass to the inner sanctum of mechanical genius. So, grab your magnifying glass and get ready to decode the secrets of this captivating contraption!

Top 10 important point for '15.5 Briggs And Stratton Engine Diagram'

Absolutely, let's dive into the fascinating world of the 15.5 Briggs and Stratton engine diagram:
  1. Peeking Under the Hood: Unveiling the Engine's Anatomy
  2. Gearing Up: Understanding the Power Transference
  3. Valve Chronicles: Exploring the Heartbeat of the Engine
  4. Piston Poetry: How the Engine Converts Energy
  5. Fuel Matters: Delving into Combustion Secrets
  6. Coolant Chronicles: Managing Engine Temperature
  7. Belt Ballet: Examining the Role of Engine Belts
  8. Airflow Tales: The Journey Through Intakes and Exhausts
  9. Lubrication Insights: Keeping Things Running Smoothly
  10. Maintenance Magic: Tips for Engine Longevity
This should make navigating the intricacies of the Briggs and Stratton engine diagram an adventure!

Several Facts that you should know about '15.5 Briggs And Stratton Engine Diagram'.
Absolutely, here's an article discussing the 15.5 Briggs and Stratton engine diagram:

Understanding the Basics

Understanding the Basics

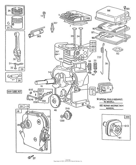
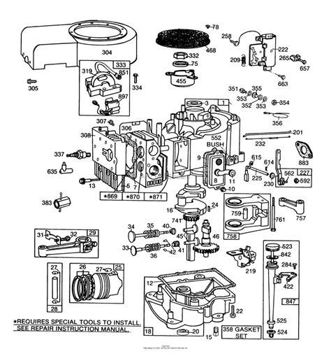
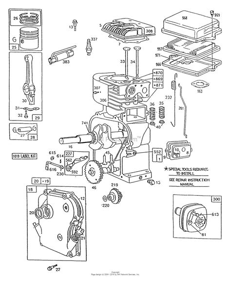
The 15.5 Briggs and Stratton engine diagram serves as a blueprint, detailing the inner workings of this power source. It showcases the components, their placements, and the intricate connections that bring this engine to life.

Exploring Component Functions

Exploring Component Functions

Each element within the diagram plays a crucial role. From pistons to valves, belts to the fuel system, understanding their functions enhances comprehension of the engine's operation.

The Mechanical Symphony

The Mechanical Symphony

Picture this diagram as a conductor's score, orchestrating a mechanical symphony. Every movement, every interaction contributes to the harmonious functionality of the engine.

Optimizing Performance

Optimizing Performance

Studying this diagram aids in tweaking and enhancing engine performance. Understanding the layout helps in identifying areas for potential improvement.

Diagnostic Assistance

Diagnostic Assistance

When troubleshooting issues, this diagram acts as a guide. It assists in pinpointing possible problems within the engine structure.

Efficient Repairs and Maintenance

Efficient Repairs and Maintenance

For mechanics or enthusiasts, this diagram streamlines repair and maintenance tasks. It simplifies the process of disassembly, repairs, and reassembly.

Learning Tool for Enthusiasts

Learning Tool for Enthusiasts

It serves as an educational aid for enthusiasts, providing insight into the inner workings of engines. It's a visual aid that facilitates learning.

Evolution of Technology

Evolution of Technology

This diagram represents a snapshot of technological advancement. It showcases how innovation and engineering have evolved over time in creating efficient engines.

Understanding the intricacies of the 15.5 Briggs and Stratton engine diagram not only aids in comprehension but also serves as a valuable resource for maintenance, repairs, and advancing technology.

Absolutely, let's explore the world of the 15.5 Briggs and Stratton engine diagram.

Decoding the Blueprint

When diving into the world of engines, the 15.5 Briggs and Stratton engine diagram is like a treasure map revealing the inner mechanisms. This diagram showcases the intricate web of components working in perfect harmony, giving a bird’s-eye view of how the engine operates.

Decoding the Blueprint

Anatomy 101: Exploring Components

Let's take a closer look at this diagram. It's not just lines and shapes; it's a detailed breakdown of every piece contributing to the engine's functionality. From pistons to valves, carburetors to crankshafts, every component has a role, and this diagram maps it all out.

Anatomy 101

Imagine it as a sort of 'engine roadmap' that helps you navigate through the maze of parts and understand how they collaborate. It's fascinating to see how each component, seemingly independent, syncs up to keep the engine roaring.

The Inner Choreography

This diagram is essentially the choreographer of an intricate mechanical dance. It illustrates how pistons move up and down, valves open and close, and fuel injects into the combustion chamber, all orchestrated in perfect synchrony.

Inner Choreography

Think of it as a visual symphony; every part has its cue, its time to shine, all working together in perfect rhythm to power your equipment.

The Heart of Performance

Understanding this diagram isn’t just a peek into mechanics; it’s a gateway to optimizing performance. When you can see how every cog fits into the larger machine, it becomes easier to fine-tune and enhance the engine's output.

Heart of Performance

Whether it's adjusting fuel delivery or optimizing airflow, this diagram acts as a guide for those seeking to squeeze every ounce of power from their engine.

Cracking the Troubleshooting Code

Ever faced a situation where your engine sputters or stalls? This diagram is your Sherlock Holmes magnifying glass! It helps you decipher the mysteries behind engine malfunctions by pinpointing potential problem areas.

Cracking the Troubleshooting Code

By visually tracing the flow of fuel, air, and ignition, troubleshooting becomes less of a guessing game and more of a targeted investigation.

Your DIY Maintenance Companion

For the DIY enthusiasts out there, this diagram is a toolbox essential. It simplifies the process of maintenance, making tasks like oil changes, belt replacements, or even more complex repairs surprisingly manageable.

DIY Maintenance Companion

It’s like having an expert guiding your hand through the intricacies of engine care, empowering you to tackle tasks that might have seemed daunting otherwise.

A Journey Through Evolution

Beyond just mechanics, this diagram represents the evolution of technology. Compare it to older engine diagrams, and you'll witness the leaps and bounds in engineering and innovation.

Journey Through Evolution

It's a testament to human ingenuity and progress, capturing the advancements that have made engines more efficient, reliable, and powerful.

Parting Thoughts

The 15.5 Briggs and Stratton engine diagram is more than just lines on paper; it’s a gateway to understanding, optimizing, and marveling at the brilliance of engineering. It’s a tool, a guide, and a testament to human innovation, encapsulating the heart and soul of machinery that powers our world.

So, the next time you look at an engine diagram, remember, it’s not just a drawing—it’s a window into a world of precision, coordination, and mechanical wonder.

This diagram, in all its detailed glory, is truly a testament to human innovation and the intricacies that power our world.

Another point of view about '15.5 Briggs And Stratton Engine Diagram'.
Certainly, here's a lighthearted take on the 15.5 Briggs and Stratton engine diagram:

1. So, you've stumbled upon the 15.5 Briggs and Stratton engine diagram. Picture this: it's like peeking into the secret world of mechanical wizards. 2. It's the blueprint that reveals the 'behind-the-scenes' of your lawnmower's power! 3. If engines could talk, this diagram would be their autobiography—telling tales of pistons pumping and valves doing the cha-cha. 4. It's the map to the hidden treasure of how your equipment transforms gas into 'go-go' juice! 5. This diagram should come with a magnifying glass and a detective hat—solving engine mysteries one spark plug at a time. 6. It's like an intricate puzzle. Want to know where the 'oomph' comes from? This diagram is the answer key! 7. Think of it as an engine's family portrait, capturing every member from the radiator to the exhaust pipe, smiling for the mechanical camera. 8. Who knew a bunch of lines and circles could hold the secrets to making your lawnmower the envy of the neighborhood? 9. It's like a 'how-to' manual for your engine, except with more diagrams and less IKEA-like frustration. 10. In a world where mechanics are wizards, this diagram is the spell book—giving mere mortals a glimpse into their magic.

Ah, the wonders of the 15.5 Briggs and Stratton engine diagram, where mechanical intricacies meet a sprinkle of humor!

Conclusion : Unveiling the Inner Workings: 15.5 Briggs and Stratton Engine Diagram.Absolutely, here's a simple yet engaging closing message for visitors exploring the 15.5 Briggs and Stratton engine diagram:

As we reach the end of our exploration into the 15.5 Briggs and Stratton engine diagram, take a moment to appreciate the depth it offers into the heart of machinery. This diagram isn't just a technical sketch; it's a window into the incredible world of engines. Through its intricate lines and details, it unveils the inner workings that power our tools and equipment.

Understanding this diagram isn't reserved for experts or mechanics; it's a tool for anyone curious about how things work. It's a visual guide that invites you to peek behind the curtain of mechanical marvels. So, the next time you encounter this 15.5 Briggs and Stratton engine diagram, remember, it's more than a diagram; it's an invitation to appreciate the craftsmanship and ingenuity that keep our machines running.

Exploring this diagram isn't just a lesson in mechanics; it's an appreciation of human innovation and the intricate systems that power our everyday tools.

Question and answer Unveiling the Inner Workings: 15.5 Briggs and Stratton Engine Diagram

Questions & Answer :Absolutely, let's dive into some common questions people have about the 15.5 Briggs and Stratton engine diagram:

1. What exactly does the 15.5 Briggs and Stratton engine diagram show?

  • The diagram is like a roadmap illustrating the internal components and their arrangement within the engine. It showcases parts like pistons, valves, crankshafts, and more, giving a visual breakdown of how they work together.

2. Why is understanding this diagram important?

  • Understanding the diagram is like gaining backstage access to the engine's performance. It helps in troubleshooting issues, optimizing performance, and simplifying maintenance tasks. Plus, it's fascinating to see the inner workings of something so vital in our machines.

3. Is it useful for someone without mechanical knowledge?

  • Absolutely! Even if you're not a mechanic, this diagram offers a visual tour of how engines operate. It's like a visual storybook, breaking down complex mechanisms into understandable parts. It's a tool for the curious and a guide for DIY enthusiasts.

4. Can this diagram help in troubleshooting engine problems?

  • Definitely! It's a bit like having a map when you're lost; the diagram assists in locating potential issues. By following the flow of parts and systems, it helps pinpoint where a problem might be hiding, making troubleshooting a bit less daunting.

5. Is this diagram specific to the 15.5 Briggs and Stratton engine or applicable to other engines?

  • While it's specific to the 15.5 Briggs and Stratton engine, the fundamentals shown in this diagram are quite similar across various engines. It's like understanding the alphabet; different languages might use it differently, but the basics remain the same.
Understanding this diagram isn't just for mechanics; it's a visual gateway into the world of engines, offering insights and simplifying complex mechanics for everyone.

Keywords : '15.5 Briggs And Stratton Engine Diagram'

0 comments